Plot No-1706/7, Nr Standard Chokdi, South 9 Road, GIDC, Ankleshwar, Bharuch, Gujarat, 393002.
Email Us
contact@alphascientificglass.com
Call Us
+91-9925021364, +91-8320637212
Home
About Us
Product Category
Technical Packages
Semi Technical Packages
Lab Equipment
Spare Parts
Photo Gallery
Sketches
Glass Spare Parts
Contact Us
×
Home
About Us
Product Category
Technical Packages
Semi Technical Packages
Lab Equipment
Spare Parts
Photo Gallery
Sketches
Glass Spare Parts
Contact Us
Cart
×
Your cart is empty.
Home
Sketches
Sketches
Sketches
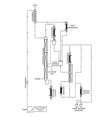
Bromine Recovery Plant
Distillation
Fractional Distillation Unit
Gas Absorber Adiabatic
Gas Absorber Falling Film
Gas Generation Unit Boiling
HCL Gas Generation Unit Cacl Route
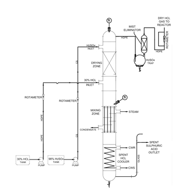
HCL Gas Generation Unit Sulphuric
Liquid Liquid
Simple Distillation
Sollid Liquid
Sulphuric Acid Dilution unit